Schwer Fittings Kogelkraan tweedelig
![]()
Uw artikel niet op voorraad? Bel +31 (0) 10 304 66 00
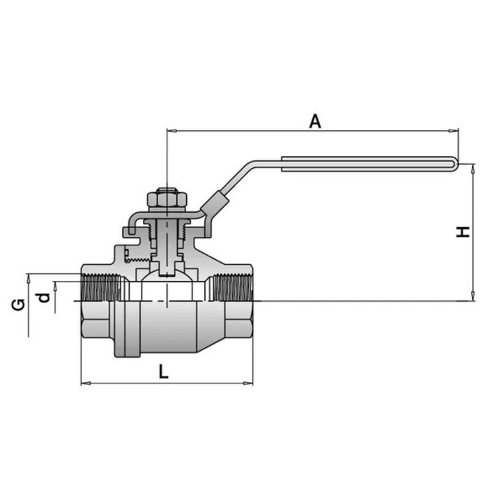
Huis en kogel uit 1.4408, afdichting PTFE - 15% glasvezel, draadlengte volgens DIN3852 deel 2 Form A, maatafwijkingen voorbehouden. Zie druk correctie tabel.
Alle producten worden ontwikkeld en geproduceerd in overeenstemming met artikel 4.3 van de Europese richtlijn drukapparatuur PED 2014/68/EU. Producten met een nominale diameter van meer dan 25 mm tot en met 32 mm mogen niet worden gebruikt voor het verpompen van vloeistof of gasvormige vloeistoffen van groep 1 (gevaarlijk) overeenkomstig de richtlijn drukapparatuur PED 2014/68/EU. Producten met een nominale diameter van meer dan 32 mm mogen alleen worden gebruikt voor het verpompen van vloeibare vloeistoffen van groep 2 (ongevaarlijke) volgens de richtlijn drukapparatuur PED 2014/68/EU. Bij gebruik met andere media moet een beoordeling door Schwer Fittings worden aangevraagd.
Aan de informatie op deze website kunnen geen rechten worden ontleend.










